Product Summary
The MRF21045L is a transistor. It is designed for W-CDMA base station applications with frequencies from 2110 to 2170 MHz.
Parametrics
Absolute maximum ratings: (1)Drain-Source Voltage:-0.5Vdc to +65Vdc; (2)Gate-Source Voltage:-0.5Vdc to +15Vdc; (3)Storage Temperature Range:- 65℃ to +150℃; (4)Case Operating Temperature:150℃; (5)Operating Junction Temperature:200℃.
Features
Features: (1)Internally Matched for Ease of Use; (2)High Gain, High Efficiency and High Linearity; (3)Integrated ESD Protection; (4)Designed for Maximum Gain and Insertion Phase Flatness; (5)Excellent Thermal Stability; (6)Characterized with Series Equivalent Large-Signal Impedance Parameters; (7)Low Gold Plating Thickness on Leads, 40μ″ Nominal.; (8)RoHS Compliant; (9)In Tape and Reel. R3 Suffix = 250 Units per 32 mm, 13 Inch Reel.
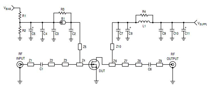
Diagrams

| Image | Part No | Mfg | Description | ![]() |
Pricing (USD) |
Quantity | ||||||
|---|---|---|---|---|---|---|---|---|---|---|---|---|
![]() |
![]() MRF21045L |
![]() Other |
![]() |
![]() Data Sheet |
![]() Negotiable |
|
||||||
![]() |
![]() MRF21045LR3 |
![]() |
![]() IC MOSFET RF N-CHAN NI-400 |
![]() Data Sheet |
![]() Negotiable |
|
||||||
![]() |
![]() MRF21045LR5 |
![]() |
![]() IC MOSFET RF N-CHAN NI-400 |
![]() Data Sheet |
![]()
|
|
||||||
![]() |
![]() MRF21045LS |
![]() Other |
![]() |
![]() Data Sheet |
![]() Negotiable |
|
||||||
![]() |
![]() MRF21045LSR3 |
![]() Freescale Semiconductor |
![]() Transistors RF MOSFET Power RF PWR LDMOS NI400LS |
![]() Data Sheet |
![]() Negotiable |
|
||||||
![]() |
![]() MRF21045LSR5 |
![]() |
![]() IC MOSFET RF N-CHAN NI-400S |
![]() Data Sheet |
![]()
|
|
||||||
(Hong Kong)










