Product Summary
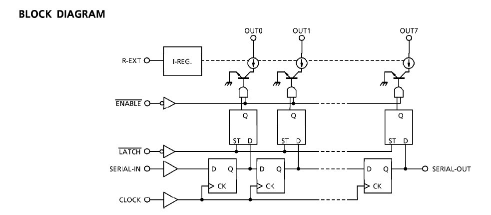
The TB62706BN is specifically designed for LED and LED DISPLAY constant current drivers. This constant current output circuits is able to set up external resistor (IOUT = 5~90 mA). (Note) This IC is monolithic integrated circuit designed to be used together with Bi-CMOS process. It consists of 16bit shift register, latch, AND-GATE and Constant Current Drivers.
Parametrics
Absolute maximum ratings: (1)Supply Voltage: 0~7.0 V ; (2)Input Voltage: -0.4~VDD + 0.4 V ; (3)Output Current: 90 mA ; (4)Output Voltage: -0.5~17.0 V ; (5)Clock Frequency: 15 MHz ; (6)GND Terminal Current: 1440 mA ; (7)Power Dissipation: 1.78 (BN-type : ON PCB, Ta = 25℃ ), 1.00 (BF-type : ON PCB, Ta = 25℃ ) W ; (8)Operating Temperature: -40~85 ℃ ; (9)Storage Temperature: -55~150 ℃.
Features
Features: (1)Constant Current Output : Can set up all output current with one resister for 5 to 90 mA; (2)Maximum Clock Frequency : fCLK = 15 (MHz) (Cascade Connected Operate, Topr =25℃); (3)5 V C?MOS Compatible Input; (4)Package : SDIP24-P-300-1.78~1.778mmPitch~ (TB62706BN) SSOP24-P-300-1.00B~1.0mmPitch~.
Diagrams

| Image | Part No | Mfg | Description | ![]() |
Pricing (USD) |
Quantity | ||||
|---|---|---|---|---|---|---|---|---|---|---|
![]() |
![]() TB62706BN |
![]() Other |
![]() |
![]() Data Sheet |
![]() Negotiable |
|
||||
![]() |
![]() TB62706BNG |
![]() Other |
![]() |
![]() Data Sheet |
![]() Negotiable |
|
||||
(Hong Kong)









