Product Summary
The FF200R12KE3 is an IGBT-Module.
Parametrics
FF200R12KE3 maximum rated values: (1) collector-emitter voltage VCES: 1200 V; (2) IC, nom.: 200 A; (3) DC-collector current IC: 295 A; (4) repetitive peak collector current ICRM: 400 A; (5) total power dissipation Ptot: 1050 W; (6) gate-emitter peak voltage VGES: +/- 20 V.
Features
FF200R12KE3 characteristic values: (1) VCE sat: 1.7 to 2.15 V; (2) collector-emitter saturation voltage: 2 V; (3) gate threshold voltage: 5.0 to 6.5 V; (4) input capacitance Cies: 14.0nF; (5) collector-emitter cut-off current ICES: 5.0mA; (7) gate-emitter leakage current IGES: 400nA.
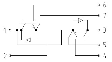
Diagrams

| Image | Part No | Mfg | Description | ![]() |
Pricing (USD) |
Quantity | ||||||||
|---|---|---|---|---|---|---|---|---|---|---|---|---|---|---|
![]() |
![]() FF200R12KE3 |
![]() Infineon Technologies |
![]() IGBT Transistors 1200V 200A DUAL |
![]() Data Sheet |
![]()
|
|
||||||||
![]() |
![]() FF200R12KE3_B2 |
![]() Infineon Technologies |
![]() IGBT Modules N-CH 1.2KV 295A |
![]() Data Sheet |
![]()
|
|
||||||||
(Hong Kong)









