Product Summary
The FP15R12KE3 is a IGBT-Module.
Parametrics
Maximum rated values for diode rectifier: (1)repetitive peak reverse voltage at Tvj =25℃, VRRM: 1600 V; (2)RMS forward current per chip at TC =80℃, IFRMSM: 25 A; (3)maximum RMS current at Rectifier output at TC =80℃, IRMSmax: 36 A; (4)surge forward current at tP = 10 ms, Tvj = 150℃, IFSM: 158 A; (5)I2t - value at tP = 10 ms, Tvj = 150℃, I2t: 125 A2s.
Features
Specifications: (1)Configuration: Hex; (2)Collector- Emitter Voltage VCEO Max: 1200 V; (3)Continuous Collector Current at 25 C: 27 A; (4)Maximum Operating Temperature: + 125 ℃; (5)Package / Case: EASY2; (6)Maximum Gate Emitter Voltage: +/- 20 V; (7)Minimum Operating Temperature: - 40 ℃; (8)Mounting Style: Screw.
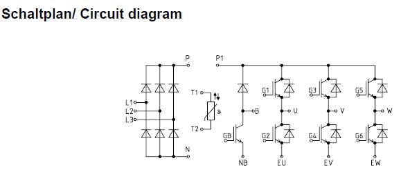
Diagrams

| Image | Part No | Mfg | Description | ![]() |
Pricing (USD) |
Quantity | ||||||||||
|---|---|---|---|---|---|---|---|---|---|---|---|---|---|---|---|---|
![]() |
![]() FP15R12KE3 |
![]() Infineon Technologies |
![]() IGBT Modules N-CH 1.2KV 27A |
![]() Data Sheet |
![]()
|
|
||||||||||
![]() |
![]() FP15R12KE3G |
![]() Infineon Technologies |
![]() IGBT Transistors 1200V 15A PIM |
![]() Data Sheet |
![]()
|
|
||||||||||
(Hong Kong)










