Product Summary
The TMS320F2802PZA is a digital signal processor. It is a highly integrated, high-performance solution for demanding control applications.
Parametrics
TMS320F2802PZA absolute maximum ratings: (1)Supply voltage range, VDDIO, VDD3VFL:–0.3 V to 4.6 V; (2)Supply voltage range, VDDA2, VDDAIO: –0.3 V to 4.6 V; (3)Supply voltage range, VDD: –0.3 V to 2.5 V; (4)Supply voltage range, VDD1A18, VDD2A18: –0.3 V to 2.5 V; (5)Supply voltage range, VSSA2, VSSAIO, VSS1AGND, VSS2AGND: –0.3 V to 0.3 V; (6)Input voltage range, VIN: –0.3 V to 4.6 V; (7)Output voltage range, VO: –0.3 V to 4.6 V; (8)Input clamp current, IIK (VIN < 0 or VIN > VDDIO): ±20mA; (9)Output clamp current, IOK (VO < 0 or VO > VDDIO): ±20mA; (10)Operating ambient temperature ranges: –40℃ to 85℃; (11)Junction temperature range, TJ: –40℃ to 150℃; (12)Storage temperature range, Tstg: –65℃ to 150℃.
Features
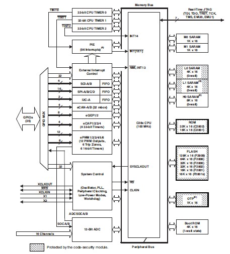
TMS320F2802PZA features: (1)High-Performance Static CMOS Technology; (2)JTAG Boundary Scan Support; (3)High-Performance 32-Bit CPU; (4)On-Chip Memory; (5)Boot ROM (4K x 16); (6)Any GPIO A Pin Can Be Connected to One of the Three External Core Interrupts; (7)SPeripheral Interrupt Expansion (PIE) Block That Supports All 43 Peripheral Interrupts.
Diagrams

| Image | Part No | Mfg | Description | ![]() |
Pricing (USD) |
Quantity | ||||||||||||
|---|---|---|---|---|---|---|---|---|---|---|---|---|---|---|---|---|---|---|
![]() |
![]() TMS320F2802PZA |
![]() Texas Instruments |
![]() Digital Signal Processors & Controllers (DSP, DSC) 32-Bit Digital Sig Controller w/Flash |
![]() Data Sheet |
![]()
|
|
||||||||||||
![]() |
![]() TMS320F2802PZA-60 |
![]() Texas Instruments |
![]() Digital Signal Processors & Controllers (DSP, DSC) 32B Dig Signal Controller |
![]() Data Sheet |
![]()
|
|
||||||||||||
(Hong Kong)









